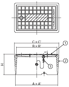
材質 1フタ:FC200(CSコート) 2枠:FC200(CSコート) 3クサリ:SS400(ユニクロメッキ) 寸法 A:310mm A':200mm B:297mm B':187mm C:326mm C':216 H:150mm t:3.5mm 散水栓の呼び径13〜20mm フタ質量2.1kg 総質量10.7kg ※写真は散水栓BOXです。

手軽に交換、新品のように♪

【心を込めた贈り物やお祝いに】 母の日 引っ越し祝い 新築祝 結婚祝い 御祝 お礼 御礼 内祝い お返し プレゼント 内祝い 結婚 新築 快気 入学 出産 【こだわりの商品特徴】 品質確かな純正部品 部品交換でお得にリフォーム 簡単作業 住宅・都市整備公団型E-103 【こんな方へもおすすめです】 破損 交換 新設 埋め込み 【こんな商品と一緒に使用できます】 上水道 散水栓 庭 水まき 洗車 

レビュー件数1
レビュー平均3
ショップ 快適水空館
税込価格 10,395円